PT. Wijaya Inti Prima

PT. Wijaya Inti Prima

  • Home
  • About
  • Contact Us

Plumbing & Drainage Accessories

Garden Hose Valve Box

Saringan Lantai Minimalis & Efisiensi


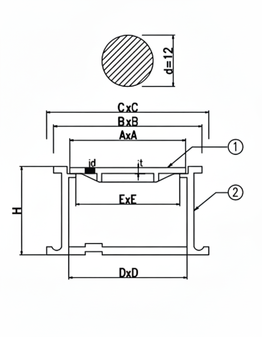
Technical Diagram

Spesifikasi

NamaBahan
TutupCast Iron
BodyCast Iron

Dimensi (mm)

AxABxBCxCDxDExEHt
365×165276×205282×209245×173215×1491428

Keunggulan

Berfungsi sebagai pengaman meteran air anti karat dan tahan lama

Kembali ke Daftar Produk
  • Home
  • About
  • Contact Us

Address

Duta Bintaro, Ubud 1 Blok G2 No. 5 Kel. Kunciran, Kec. Pinang, Kota Tangerang 15144

Product

  • Cable Tray
  • Plumbing Accsesories & Drainage
  • Water Pipes

Email

  • wijayaintiprima@gmail.com
  • wippt.marketing@gmail.com
  • wippt.finance@gmail.com

Contact

  • 021-5314-9002
  • 0838-7878-5222

©

PT. Wijaya Inti Prima

Powered by
...
►
Necessary cookies enable essential site features like secure log-ins and consent preference adjustments. They do not store personal data.
None
►
Functional cookies support features like content sharing on social media, collecting feedback, and enabling third-party tools.
None
►
Analytical cookies track visitor interactions, providing insights on metrics like visitor count, bounce rate, and traffic sources.
None
►
Advertisement cookies deliver personalized ads based on your previous visits and analyze the effectiveness of ad campaigns.
None
►
Unclassified cookies are cookies that we are in the process of classifying, together with the providers of individual cookies.
None
Powered by
Powered by Joinchat
HiHello 👋, welcome to PT. Wijaya Inti Prima
Can we help you?
Open Chat